Resistors in Parallel
Resistors in Parallel |
|
Resistors are said to be connected together in "Parallel" when both of their terminals are respectively connected to each terminal of the other resistor or resistors. Unlike the previous series circuit, in parallel circuits the current can take more than one path and because there are multiple paths the current is not the same at all points in a parallel circuit. However, the voltage drop across all of the resistors in a parallel circuit is the same. Then, Resistors in Parallel have a Common Voltage across them and is true for all parallel elements. |
|
So we can define a parallel circuit as one were the resistors are connected to the same two points (or nodes) and is identified by the fact that it has more than one current path connected to a common voltage source. In our example below the voltage across resistor R1 equals the voltage across resistor R2 which equals the voltage across R3 and all equal the supply voltage and is therefore given as: |
|
VR1 = VR2 = VR3 = VAB = 12V |
|
In the following resistors in parallel circuit the resistors R1, R2 and R3 are all connected together in parallel between the two points A and B as shown. |
|
|
Parallel Resistor Circuit |
|
|
|
In the previous series resistor circuit we saw that the total resistance, RT of the circuit was equal to the sum of all the individual resistors added together. For resistors in parallel the equivalent circuit resistance RT is calculated differently. |
|
Here, the reciprocal ( 1/R ) value of the individual resistances are all added together instead of the resistances themselves with the inverse of the algebraic sum giving the equivalent resistance as shown. |
|
|
Parallel Resistor Equation |
| 1/RT = 1/R1 + 1/R2 + 1/R3 ..... + 1/Rn etc. |
|
Then the inverse of the equivalent resistance of two or more resistors connected in parallel is the algebraic sum of the inverses of the individual resistances. The equivalent resistance is always less than the smallest resistor in the parallel network so the total resistance, RT will always decrease as additional parallel resistors are added. |
|
Parallel resistance gives us a value known as Conductance, symbol G with the units of conductance being the Siemens, symbol S. Conductance is the reciprocal or the inverse of resistance, ( G = 1/R ). To convert conductance back into a resistance value we need to take the reciprocal of the conductance giving us then the total resistance, RT of the resistors in parallel. |
|
We now know that resistors that are connected between the same two points are said to be in parallel but a parallel circuit can take many forms other than the one above and here are a few examples. |
Various Parallel Resistor Circuits |
|
|
|
All the above are parallel resistor circuits. |
|
|
Example No1 |
|
Find the total resistance, RT of the following resistors in parallel network. |
|
|
|
The total resistance RT across the two terminals A and B is calculated as: |
|
1/RT = 1/R1 + 1/R2 + 1/R3 |
|
1/RT = 1/R200 + 1/R470 + 1/R220 = 0.0117 |
|
Therefore, RT = 1/0.0117 = 85.67Ω |
|
This method of calculation can be used for calculating any number of individual resistances connected together within a single parallel network. If however, there are only two individual resistors in parallel then a much simpler and quicker formula can be used to find the total resistance value, and this is given as: |
| RT = (R1xR2)/(R1+R2) |
Example No2 |
|
Consider the following circuit with only two resistors in a parallel combination. |
|
|
|
Using our two resistor formula above we can calculate the total circuit resistance, RT as: |
| RT = (22Ωx47Ω)/(22Ω+47Ω) = 14,985Ω |
|
One important point to remember about resistors in parallel, is that the total circuit resistance (RT) of any two resistors connected together in parallel will always be LESS than the value of the smallest resistor and in our example above RT = 14.9kΩ were as the value of the smallest resistor is only 22kΩ. In other words, the equivalent resistance of a parallel network is always less than the smallest individual resistor in the combination. |
|
Also, in the case of R1 being equal to the value of R2, that is R1 = R2, the total resistance of the network will be exactly half the value of one of the resistors, R/2. Likewise, if three or more resistors each with the same value are connected in parallel, then the equivalent resistance will be equal to R/n where R is the value of the resistor and n is the number of individual resistances in the combination. |
|
For example, six 100Ω resistors are connected together in a parallel combination. The equivalent resistance will therefore be: RT = R/n = 100/6 = 16.7Ω. |
|
|
Currents in a Parallel Resistor Circuit |
|
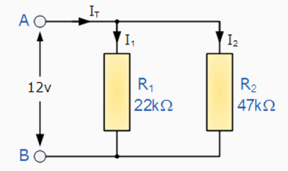
The total current, IT in a parallel resistor circuit is the sum of the individual currents flowing in all the parallel branches. The amount of current flowing in each parallel branch is not necessarily the same as the value of the resistance in each branch determines the current within that branch. For example, although the parallel combination has the same voltage across it, the resistances could be different therefore the current flowing through each resistor would definitely be different as determined by Ohms Law. |
|
Consider the two resistors in parallel above. The current that flows through each of the resistors ( IR1 and IR2 ) connected together in parallel is not necessarily the same value as it depends upon the resistive value of the resistor. However, we do know that the current that enters the circuit at point A must also exit the circuit at point B. Kirchoff's Current Laws. states that "the total current leaving a circuit is equal to that entering the circuit - no current is lost". Thus, the total current flowing in the circuit is given as: |
|
IT = IR1 + IR2 |
|
Then by using Ohm's Law, the current flowing through each resistor can be calculated as: |
|
Current flowing in R1 = V/R1 = 12V ÷ 22kΩ = 0.545mA |
|
Current flowing in R2 = V/R2 = 12V ÷ 47kΩ = 0.255mA |
|
giving us a total current IT flowing around the circuit as: |
|
IT = 0.545mA + 0.255mA = 0.8mA or 800uA. |
|
The equation given for calculating the total current flowing in a parallel resistor circuit which is the sum of all the individual currents added together is given as: |
| Itotal = I1 + I2 + I3 ..... + In |
|
Then parallel resistor networks can also be thought of as a "current divider" because the current splits or divides between the various branches and a parallel resistor circuit having N resistive networks will have N-different current paths while maintaining a common voltage. Parallel resistors can also be interchanged without changing the total resistance or the total circuit current. |
|
|
Example No3 |
|
Calculate the individual branch currents for the following resistors in parallel circuit. |
|
|
|
As the supply voltage is common to all the resistors in a parallel circuit, we can use Ohms Law to calculate the individual branch current as follows. |
| I1 = VS / R1 = 24V/10Ω = 2.4amps |
| I2 = VS / R2 = 24V/20Ω = 1.2amps |
| I3 = VS / R3 = 24V/30Ω = 0.8amps |
| I4 = VS / R4 = 24V/40Ω = 0.6amps |
|
Then the total circuit current, IT flowing into the parallel resistor combination will be: |
| IT = I1 + I2 + I3 +I4 |
| IT = 2.4 + 1.2 + 0.8 + 0.6 |
| IT = 5.0amps |
|
This total circuit current value of 5 amperes can also be found and verified by finding the equivalent circuit resistance and dividing it into the supply voltage ( V/RT ). |
|
|
Resistors in Parallel Summary |
|
Then to summarise. When two or more resistors are connected so that both of their terminals are respectively connected to each terminal of the other resistor or resistors, they are said to be connected together in parallel. The potential differences across each resistor in the parallel combination is the same but the currents flowing through them are not the same. |
|
The equivalent or total resistance, RT of a parallel combination is found through reciprocal addition and the total resistance value will always be less than the smallest individual resistor in the combination. Parallel resistors can be interchanged within the same combination without changing the total resistance or total circuit current. Resistors connected together in a parallel circuit will continue to operate even though one resistor may be open-circuited. |
|
Thus far we have seen resistor circuits connected in either a series or a parallel combination. In the next tutorial about Resistors, we will look at connecting resistors together in both a series and parallel combination at the same time producing a mixed or combinational resistor circuit. |
|
|
| Reproduced with permission from Wayne Storr |
| ( http://www.electronics-tutorials.ws/resistor/res_4.html ) |





